"ТЕПЛОПИТБЕЛ"
obogrevrb@mail.ru тел. +375 29 383 03 25
Электрический радиатор отопления – это автономное отопительное устройство, которое преобразует электрическую энергию в тепловую. В отличие от водяных систем, где теплоноситель циркулирует по трубам, электрические радиаторы работают независимо, требуя лишь подключения к электросети.
Всем подписчикам Instagram-teplopit.bel предоставляется скидка 5%

Представляем вашему вниманию электрорадиатор ТЕПЛОПИТБЕЛ – это не просто отопительный прибор, а инновационное решение от надежного белорусского производителя, созданное для вашего комфорта и безопасности. Этот электрорадиатор станет вашим незаменимым помощником в создании идеального микроклимата в доме, обеспечивая тепло и уют даже в самые холодные дни.
Эти радиаторы идеально подходят для:
Частных домов и коттеджей: Где важна максимальная энергоэффективность и создание индивидуального микроклимата.
Выбирая энергосберегающие радиаторы отопления от производителя "Теплопитбел", вы инвестируете в свое будущее, обеспечивая себе тепло, комфорт и значительную экономию на протяжении многих лет. Обратитесь к специалистам компании "Теплопитбел", чтобы подобрать наиболее правильный вариант для Вашего дома.
Традиционные радиаторы, несмотря на свою распространенность, часто страдают от неэффективного распределения тепла и значительных теплопотерь. "Теплопитбел" выходит за рамки привычного, предлагая электрорадиаторы, разработанные с учетом последних достижений в области теплотехники.
Современные радиаторы могут быть спроектированы так, чтобы снижать теплопотери и обеспечивать более высокую эффективность работы, что в свою очередь приведет к снижению затрат на отопление.
Незамерзающая Жидкость – Гарантия бесперебойной работы
В основе нашего электрорадиатора лежит специальная незамерзающая жидкость. Это означает, что вы можете быть абсолютно спокойны за тепло в вашем доме, даже в самые суровые морозы. Прибор сохраняет свою работоспособность, обеспечивая стабильное отопление без риска замерзания.
ТЕПЛОПИТБЕЛ – Инновационное Отопление, Созданное для Вас!
Климат-Контроль – Ваш Персональный Комфорт
Забудьте о постоянной необходимости регулировать температуру вручную. Электрорадиатор ТЕПЛОПИТБЕЛ оснащен интеллектуальной системой климат-контроля, которая автоматически поддерживает заданный вами уровень тепла. Это не только невероятно удобно, но и позволяет значительно оптимизировать расход электроэнергии, делая отопление более экономичным.
Усовершенствованная Пожарная Безопасность – Спокойствие для Вас
Ваша безопасность – наш главный приоритет. Благодаря использованию негорючей незамерзающей жидкости, электрорадиатор ТЕПЛОПИТБЕЛ обладает исключительным уровнем пожарной безопасности. Это позволяет вам использовать прибор без присмотра в течение длительного времени, будучи полностью уверенными в его надежности и безопасности для вашего дома и близких.
Два датчика температуры – двойной контроль: Радиатор оснащен двумя датчиками температуры: один контролирует температуру воздуха в помещении, а другой – температуру теплоносителя в радиаторе. Это позволяет добиться оптимального баланса между комфортом и энергоэффективностью.
Климат-контроль: Задайте желаемую температуру воздуха в диапазоне от +5 до +35°С, и радиатор автоматически будет поддерживать ее, включаясь и выключаясь по мере необходимости.
Контроль нагрева теплоносителя: Установите желаемую температуру теплоносителя в диапазоне от +40 до +72°С, чтобы оптимизировать работу радиатора и избежать перегрева.
Таймер: Запрограммируйте время работы радиатора на срок до 12 часов, чтобы он автоматически включался и выключался в нужное вам время. Это особенно удобно для обогрева помещения перед вашим приходом или для поддержания комфортной температуры ночью.
Контроллер-реле температуры с двумя датчиками: современное решение для радиаторов, регистров и трубчатых батарей. Наличие двух датчиков позволяет контролировать температуру в помещении и разогрев теплоносителя в приборе до заданных параметров. Это обеспечивает более точное регулирование температуры и позволяет избежать перегрева или переохлаждения, что особенно важно для поддержания комфортного микроклимата.
Установка блока контроля с функцией терморегулятора на отопительный прибор или сборка радиатора с нуля с использованием этого устройства позволяет создать современную систему отопления без необходимости в котлах и трубах. Это упрощает установку и обслуживание системы, а также делает ее более гибкой и адаптивной к изменениям в условиях эксплуатации.

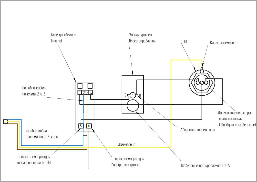
Схема подключения Блока управления Контроллера-реле температуры к ТЭНу

Чертеж ТЭНа для радиаторов, регистров, чугунных батарей
Принимаем заказы на ТЭны

Что такое энергосберегающие радиаторы "Теплопитбел" и в чем их уникальность?
Традиционные радиаторы, несмотря на свою распространенность, часто страдают от неэффективного распределения тепла и значительных теплопотерь. "Теплопитбел" выходит за рамки привычного, предлагая радиаторы, разработанные с учетом последних достижений в области теплотехники. Их ключевые преимущества заключаются в:

Экономия на отоплении: Благодаря высокой энергоэффективности, вы заметите существенное снижение расходов на отопление, что делает эти радиаторы выгодным вложением в долгосрочной перспективе.
Тепловые потери при отоплении электрическими радиаторами "Теплопитбел": что нужно знать
Электрические радиаторы "Теплопитбел" – это современное и эффективное решение для отопления вашего дома или квартиры. Они обладают рядом преимуществ, таких как простота установки, точный контроль температуры и экологичность. Однако, как и любая система отопления, они подвержены тепловым потерям, которые могут влиять на эффективность и стоимость эксплуатации. Понимание этих потерь поможет вам оптимизировать работу системы и снизить расходы на электроэнергию.
Тепловые потери – это неизбежный процесс, при котором тепло из отапливаемого помещения уходит во внешнюю среду. Основные пути утечки тепла при использовании электрических радиаторов "Теплопитбел" следующие:

Электрические радиаторы "Теплопитбел" работают по принципу нагрева воздуха и его циркуляции. Когда тепло теряется, радиаторам приходится работать интенсивнее, чтобы поддерживать заданную температуру. Это приводит к:
К счастью, существует ряд эффективных мер, которые помогут вам значительно сократить тепловые потери и сделать отопление с помощью "Теплопитбел" еще более экономичным и комфортным:
В заключение:
Электрические радиаторы "Теплопитбел" – это отличный выбор для отопления, но для достижения максимальной эффективности и экономии важно помнить о тепловых потерях. Инвестиции в утепление вашего дома и правильную эксплуатацию системы отопления окупятся снижением расходов на электроэнергию и повышением уровня комфорта в вашем жилище.
Вы решили построить или приобрести частный дом и теперь перед вами стоит важный вопрос: как его эффективно и комфортно обогреть? Выбор системы отопления – это не просто техническая задача, это инвестиция в ваш уют и экономию на долгие годы. Давайте разберемся в многообразии вариантов, чтобы вы могли сделать осознанный выбор.

Чтобы понять, какая система подойдет именно вам, важно знать основные принципы их разделения.
1. По виду топлива: чем греем воду (или воздух)?
Это, пожалуй, самый первый и главный критерий выбора, ведь от него зависит доступность топлива, его стоимость и экологичность.
2. По теплоносителю: что переносит тепло?
Теплоноситель – это среда, которая циркулирует по системе и переносит тепло от источника к отопительным приборам.
3. По виду разводки труб: как тепло добирается до комнат?
Способ прокладки труб влияет на равномерность прогрева и удобство монтажа.

Выбор оптимальной системы отопления – это комплексное решение, зависящее от множества факторов:
Какое отопление лучше для частного дома?
Нет универсального ответа. Однако, можно выделить наиболее популярные и оправданные варианты:
Электрическое отопление, несмотря на потенциально высокую стоимость электроэнергии, имеет свои неоспоримые преимущества, особенно в определенных ситуациях. Важно понимать, что "электрическое отопление" – это не просто электрокотел. Существует несколько различных технологий, каждая со своими особенностями:
При выборе электрического отопления важно учитывать тарифы на электроэнергию, возможность использования многотарифного счетчика (день/ночь), а также наличие льгот для электроотопления.

Чтобы лучше понять, как работает та или иная система отопления, полезно рассмотреть основные схемы:
Визуализация схемы поможет вам понять, как будет работать система, какие компоненты потребуются и как они будут взаимодействовать друг с другом.
Монтаж системы отопления – это ответственный этап, от которого зависит ее эффективность, безопасность и долговечность. Не стоит пытаться сэкономить на этом, выполняя работы самостоятельно, если у вас нет соответствующего опыта и квалификации.
Основные этапы монтажа:
Важно: При монтаже системы отопления необходимо строго соблюдать строительные нормы и правила, а также рекомендации производителей оборудования. Доверьте эту работу квалифицированным специалистам, имеющим опыт работы с различными типами систем.

Правильный расчет – это основа эффективной и экономичной системы отопления. Недооценка теплопотерь дома или неправильный выбор мощности оборудования приведет к тому, что дом будет плохо отапливаться зимой, а летом система будет работать вхолостую, потребляя излишнюю энергию.
Основные факторы, учитываемые при расчете:
Как проводится расчет:
Важно: Расчет отопления – это задача для профессионалов. Ошибки на этом этапе могут привести к серьезным проблемам в будущем. Обратитесь к инженерам-теплотехникам, которые смогут выполнить точный расчет и подобрать оптимальное оборудование.

Выбор системы отопления для частного дома – это ответственный шаг, требующий внимательного изучения всех доступных вариантов. Учитывайте доступность топлива, свой бюджет, особенности вашего дома и климатические условия региона. Не бойтесь консультироваться со специалистами – их опыт поможет вам избежать дорогостоящих ошибок и создать систему отопления, которая будет радовать вас теплом и уютом долгие годы. Помните, что правильно спроектированная и смонтированная система отопления – это не только комфорт, но и экономия ваших средств.
Выбор отопления для частного дома – это инвестиция в комфорт и экономию. Учитывайте доступность топлива, бюджет и особенности дома. Профессиональный расчет и монтаж гарантируют эффективность и безопасность системы. Не бойтесь консультироваться со специалистами, чтобы избежать ошибок. Правильно подобранная система обеспечит тепло и уют на долгие годы.
Электрические обогреватели становятся все более популярными среди владельцев квартир и домов. Они обеспечивают комфортную атмосферу, благодаря чему вы сможете наслаждаться теплом в любое время года. Если вы ищете, где купить недорогой электрический обогреватель с гарантией от производителя, ознакомьтесь с нашими рекомендациями!
1. Надежность
Одним из главных преимуществ электрических обогревателей является их надежность. Они созданы для длительного использования и обычно сопровождаются гарантией от производителя, что подтверждает их качество.
2. Экономичность
Современные модели электрических обогревателей имеют высокую эффективность и потребляют минимальное количество электроэнергии. Это позволяет существенно сократить затраты на отопление.
3. Безопасность
Благодаря использованию надежных технологий и материалов, электрические обогреватели безопасны в эксплуатации. Многие модели оснащены системой защиты от перегрева и другими функциями, которые обеспечивают ваше спокойствие.
На пол
Электрические обогреватели, предназначенные для установки на пол, идеально подходят для использования в комнатах различного назначения. Они мобильны и могут быть легко перемещены в зависимости от ваших потребностей.
На стену
Стеновые обогреватели хорошо подходят для небольших помещений и помогут сэкономить пространство. Их можно установить в любом углу вашей комнаты, что делает их универсальными.

Обратите внимание на функционал. Некоторые модели предлагают дополнительные функции, такие как термостат, таймер и пульт управления.

Существует множество магазинов и платформ для онлайн-шопинга, где вы можете купить электрический обогреватель недорого. Убедитесь, что продавец предоставляет гарантию и другие преимущества:
Проверьте условия доставки. Убедитесь, что вам доставят товар в удобные сроки.
Электрические обогреватели — это надежный, экономичный и безопасный способ отопления вашего дома или квартиры. Они отлично демонстрируют свои преимущества в холодное время года. Выбирайте качественные модели и наслаждайтесь теплом в вашем доме!